FIRE FX
Envío 3-4 díasLicencia de video-análisis
Para detección de incendio
SR7
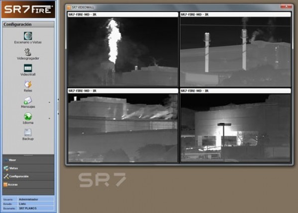
Video-analysis license for fire detection. Configuration of anti-reflex masks, detection of overheating and flame detection.
Esta es una vista previa de los productos vistos recientemente por el usuario.
Una vez que el usuario haya visto al menos un producto, este fragmento será visible.
Una vez que el usuario haya visto al menos un producto, este fragmento será visible.
Productos vistos recientemente
To install this Web App in your iPhone/iPad press and then Add to Home Screen.